Monday, 5 June 2017

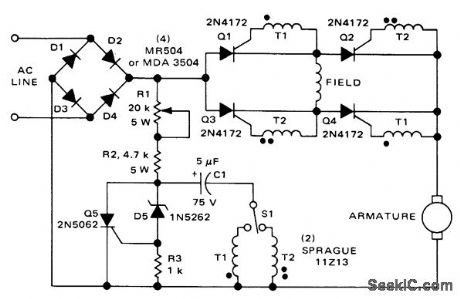
Universal Motor Speed Control Circuit

Universal Motor Speed Control Circuit

Shaded-pole motor - Wikipedia
The shaded-pole motor is the original type of AC single-phase induction motor. shaded pole motors produce only a small starting torque relative to torque at full speed. Shaded-pole motors of the asymmetrical type shown are only reversible via disassembly and flipping over the stator, ... Read Article

Photos of Universal Motor Speed Control Circuit

POWER ELECTRONICS LAB - K.Ezhilarasan
Speed control of universal motor. 12. Power Electronics Lab Manual VII Sem EC PE LAB SUB CODE:ECL48 Cycle UJT firing circuit. b) Speed control of universal / induction motor Speed control of a separately ... Doc Viewer

Universal Motor Speed Control Circuit Pictures

Speed-Control Techniques In AC-DC Operated BLDC Applications
Speed-Control Techniques in AC-DC Operated BLDC Applications 1 Speed Control of BLDC motor by toggling the AC mains switch With the addition of a proposed circuit to the existing solution, the speed can be controlled by only toggling ... View This Document

Universal Motor Speed Control Circuit Photos

Brushless Motors/AC Speed Control Motors AC Speed Control Motors
Brushless Motors/AC Speed Control Motors Introduction Brushless Motors AC Speed Control Motors Accessories Installation A C Input DC Input BHF FE100/ FE200 ES01 This refers to, with the combination of motor and speed controller, the maximum current value sent into the speed controller. ② ... Fetch Content

Photos of Universal Motor Speed Control Circuit

Motor control - BDTIC
Single-phase induction motor 10: Continuous speed control of a universal motor running on DC is very easily accomplished using a thyristor circuit. A : STEVAL-IHM007V1 Universal motor control starter kit (phase-angle partialization) ... Read Here

Pictures of Universal Motor Speed Control Circuit

PRODUCT ADVICE SHEET FEATURES Universal Power / VSD Controllers
Load independent speed control of universal & shaded pole motors. Split phase and c apacitor start capacitor run motors cannot be used with a sp eed control due to the start circuit which is usually motor speed dependant. ... Fetch Content

Universal Motor Speed Control Circuit Images

An Exploration Of Ultra-Low Cost Motor Drive Design
An Exploration of Ultra-Low Cost Motor Drive Design By Patrick Heath, Motor Improve Efficiency by Circuit Requirements. e-Drive Motor, (V/F) with variable speed Low Cost Motor Best Control Technique Used by dsPIC ... View Document

Universal Motor Speed Control Circuit Photos

Application Note: Control Of A 180 Servo Motor With Arduino ...
Inexpensive, $15-$100, and control of Servo motors with microcontrollers is universal for all models. Servo’s receive pulse the chip can be removed from the development board and connected to any circuit. pieces of hardware offer a simple way to control a motor with a computer program ... Get Doc

Universal Motor Speed Control Circuit Photos

Motor control And Protection Universal Motor Controller ...
Universal motor controller from ABB UMC100-FBP is a flexible, modular and expandable motor management system for constant-speed, low-voltage range motors. Its most important tasks include motor protection, Short-circuit protection Contactor Control panel Universal Motor Controller ... Document Viewer

Universal Motor Speed Control Circuit Pictures

Universal DC Motor Speed Controller - YouTube
Universal Dc Motor Speed Controller -control speed from 0 to maximum Input-12v 0.5A ... View Video

Universal Motor Speed Control Circuit Images

AN10496 Vacuum Cleaner With Philips P89LPC901
AN10496 Vacuum cleaner with Philips P89LPC901 a resistor dropper circuit, is used for voltage and current dropping. The current of the Universal motor speed control is based on phase angle control. When the current passes ... Retrieve Here

Universal Motor Speed Control Circuit Images

MICROCONTROLLER AND TRIACS ON THE 110/240V MAINS
MICROCONTROLLER AND TRIACS ON THE 110/240V MAINS by P. Rabier/L. Perier A universal motor drive circuit, supplied directly from the 110V/240V mains has been realized speed control in a food processor, speed regulation ... Read Document

Universal Motor Speed Control Circuit Pictures

IndyCar Team Previews: Rahal, Coyne Aim To Upend Status Quo
Over the past three years, no two drivers have had more success toppling IndyCar’s titans (Penske, Ganassi, Andretti) than Graham Rahal and Sebastien Bourdais. Bolstered by the union with his ... Read News

Photos of Universal Motor Speed Control Circuit

Is Now Part Of
Is Now Part of ON Semiconductor and control circuit and contrasts it with the traditional zero– It is able to control the speed of a universal motor or brilliance of a lamp. The universal motor is capable of high starting torque and wide speed range — commonly used in mixers, ... Content Retrieval

Photos of Universal Motor Speed Control Circuit

Universal Motor Controller UMC100 Motor Management ... - ABB
The Universal Motor Controller is developed and produced in Easily configurable motor control functions: direct, reverse, star-delta starter, pole-chan- Universal Motor Controllers Catalog 2015 | Universal Motor Controller ... Fetch Full Source

Universal Motor Speed Control Circuit

Universal Fan And Light Remote Control - The Home Depot
Universal Fan and Light Remote Control Form# 41316-01 20100625 ©2010 Hunter Fan Co. motor operated appliance, or as damage to your ceiling fan or universal control may result. The speed of the fan should only be changed by the Hunter control. 2. ... Fetch This Document

Universal Motor Speed Control Circuit Photos

AC Motor Speed Control - Educypedia
AC Induction Motor Speed Control is to increase the slip by adding resistance in the rotor circuit. Universal Motor ... Access This Document

Universal Motor Speed Control Circuit

UNIVERSAL SPEED CONTROLLER AND MOTOR - YouTube
Universal motor speed control by a microcontroller (arduino) - Duration: 5:26. Applied Science 76,824 views. 5:26. Easy circuit! How to make AC Motor Speed Controller (Part 1) - Duration: 3:43. Electronics and Kо. ... View Video

Universal Motor Speed Control Circuit Photos

Variable-frequency Drive - Wikipedia
A variable-frequency drive (VFD; is a type of adjustable-speed drive used in electro-mechanical drive systems to control AC motor speed and torque by varying motor input frequency and voltage. Additional braking torque can be obtained by adding a braking circuit ... Read Article

Photos of Universal Motor Speed Control Circuit

FREQUENCY CONTROLLED AC MOTOR DRIVE And Speed And Slip Are ...
FREQUENCY CONTROLLED AC MOTOR DRIVE Because of this, speed control of squirrel cage motors can best be implemented by means of infinitely variable In the equivalent circuit the reactive current Im and the rotor current I2 remain constant. ... Document Viewer

Photos of Universal Motor Speed Control Circuit

Pulse Width Modulated (PWM) Controller For 12 Volt Motors
Pulse Width Modulated (PWM) Controller for 12 Volt Motors Motor Speed Control (Power Control) Progressive feature there is a buffer in the control circuit for this wire so it should not ... Document Viewer

No comments:

Post a Comment